VTEM Banners
VTEM Banners
VTEM Banners
VTEM Banners
VTEM Banners

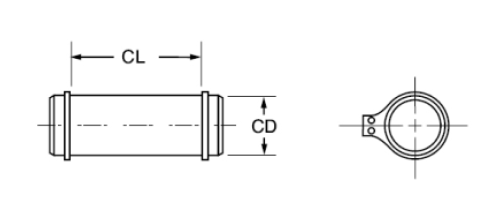
Cilindros hidráulicos DAYMONT

 
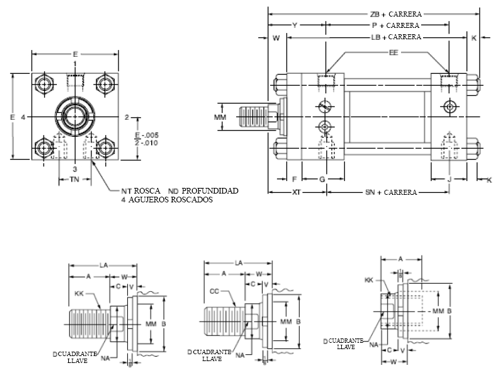
  Cilindros hidráulicos con tensores alargados


Tabla de Dimensiones Generales y de Montaje

 


  

 

 

  

 

 








Ø   AA  BB  DD  E   EE F  G  J  K  R  Adicionar Carrera
NPTFØ SAE LB P
11/2 2.3 13/8 3/8-24 21/2 1/2 10 3/8 13/4 11/2 3/8 1.63 5 27/8
2 2.9 113/16 1/2-20 3 1/2 10 5/8 13/4 11/2 7/16 2.05 51/4 27/8
21/2 3.6 113/16 1/2-20 31/2 1/2 10 5/8 13/4 11/2 7/16 2.55 53/8 3
31/4 4.6 25/16 5/8-18 41/2 3/4 12 3/4 2 13/4 9/16 3.25 61/4 31/2
4 5.4 25/16 5/8-18 5 3/4 12 7/8 2 13/4 9/16 3.82 65/8 33/4
5 7.0 33/16 7/8-14 61/2 3/4 12 7/8 2 13/4 13/16 4.95 71/8 41/4
6 8.1 35/8 1-14 71/2 1 16 1 21/4 21/4 7/8 5.73 83/8 47/8
 
  Descargar PDF
 
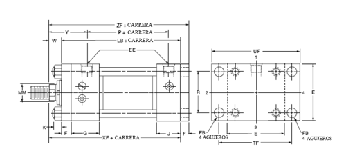
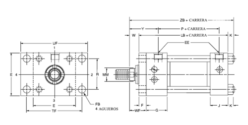
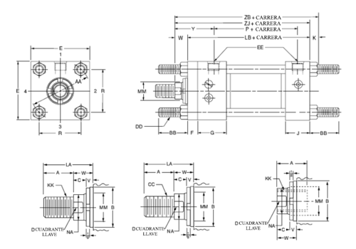
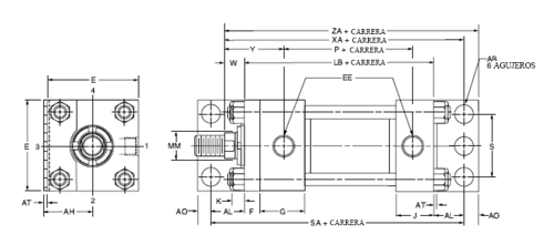
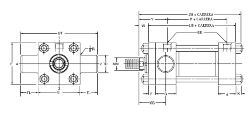
  Cilindros hidráulicos con montaje flanche frontal


Tabla de Dimensiones Generales y de Montaje

 

 

  

 

  

 

 








        
Ø E EE F FB G J K R TF UF Adicionar Carrera
NPTFØ SAE LB LG P
11/2 21/2 1/2 10 3/8 7/16 13/4 11/2 3/8 1.63 37/16 41/4 5 45/8 27/8
2 3 1/2 10 5/8 9/16 13/4 11/2 7/16 2.05 41/8 51/8 51/4 45/8 27/8
21/2 31/2 1/2 10 5/8 9/16 13/4 11/2 7/16 2.55 45/8 55/8 53/8 43/4 3
31/4 41/2 3/4 12 3/4 11/16 2 13/4 9/16 3.25 57/8 71/8 61/4 51/2 31/2
4 5 3/4 12 7/8 11/16 2 13/4 9/16 3.82 63/8 75/8 65/8 53/4 33/4
5 61/2 3/4 12 7/8 15/16 2 13/4 13/16 4.95 83/16 93/4 71/8 61/4 41/4
6 71/2 1 16 1 11/16 21/4 21/4 7/8 5.73 97/16 111/4 83/8 73/8 47/8
 
  Descargar PDF
 
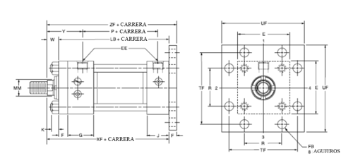
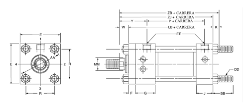
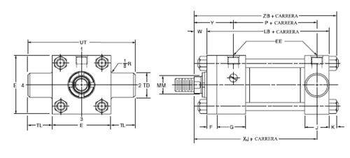
  Cilindros hidráulicos con montaje flanche posterior


Tabla de Dimensiones Generales y de Montaje

 


  

 

  

 

 






    Ø  

E   EE F   FB   G   J   K   R   TF   UF   Adicionar Carrera
NPTF Ø SAE LB P
11/2 21/2 1/2 10 3/8 7/16 13/4 11/2 3/8 1.63 37/16 41/4 5 27/8
2 3 1/2 10 5/8 9/16 13/4 11/2 7/16 2.05 41/8 51/8 51/4 27/8
21/2 31/2 1/2 10 5/8 9/16 13/4 11/2 7/16 2.55 45/8 55/8 53/8 3
31/4 41/2 3/4 12 3/4 11/16 2 13/4 9/16 3.25 57/8 71/8 61/4 31/2
4 5 3/4 12 7/8 11/16 2 13/4 9/16 3.82 63/8 75/8 65/8 33/4
5 61/2 3/4 12 7/8 15/16 2 13/4 13/16 4.95 83/16 93/4 71/8 41/4
6 71/2 1 16 1 11/16 21/4 21/4 7/8 5.73 97/16 111/4 83/8 47/8
 
  Descargar PDF
 
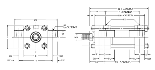
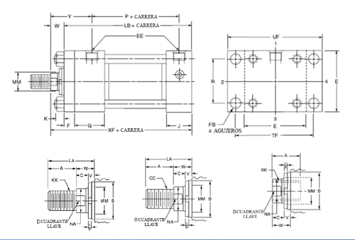
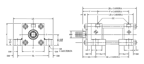
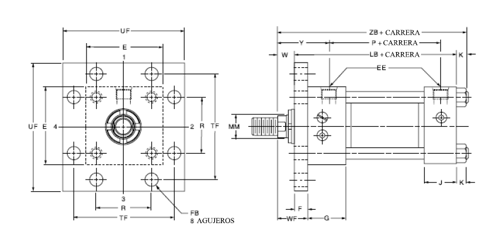
  Cilindros hidráulicos con montaje de pies


Tabla de Dimensiones Generales y de Montaje

 

  

 

 

  

 

 








            
Ø E EE F G J K NT SB* ST SU SW TN TS US Adicionar Carrera
NPTF  Ø SAE LB P SN SS
11/2 21/2 1/2 10 3/8 13/4 11/2 3/8 3/8-16 7/16 1/2 15/16 3/8 3/4 31/4 4 5 27/8 27/8 37/8
2 3 1/2 10 5/8 13/4 11/2 7/16 1/2-13 9/16 3/4 11/4 1/2 15/16 4 5 51/4 27/8 27/8 35/8
21/2 31/2 1/2 10 5/8 13/4 11/2 7/16 5/8-11 13/16 1 19/16 11/16 15/16 47/8 61/4 53/8 3 3 33/8
31/4 41/2 3/4 12 3/4 2 13/4 9/16 3/4-10 13/16 1 19/16 11/16 11/2 57/8 71/4 61/4 31/2 31/2 41/8
4 5 3/4 12 7/8 2 13/4 9/16 1-8 11/16 11/4 2 7/8 21/16 63/4 81/2 65/8 33/4 33/4 4
5 61/2 3/4 12 7/8 2 13/4 13/16 1-8 11/16 11/4 2 7/8 215 /16 81/4 10 71/8 41/4 41/4 41/2
6 71/2 1 16 1 21/4 21/4 7/8 11/4-7 15/16 11/2 21/2 11/8 35/16 93/4 12 83/8 47/8 51/8 51/8
 
  Descargar PDF
 
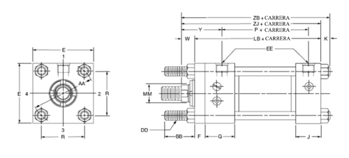
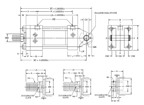
  Cilindros hidráulicos con montaje pivote posterior


Tabla de Dimensiones Generales y de Montaje

 

  

 

  







         
Ø AB AH AL AO AT CB +.000 -.002 CD* CW E EB EE
Ø
NPTF

SAE
11/2 7/16 13/8 1 3/8 1/8 3/4 .501 1/2 21/2 7/16 1/2 10
2 9/16 111/16 11/4 1/2 1/8 11/4 .751 5/8 3 9/16 1/2 10
21/2 11/16 115/16 13/16 9/16 1/8 11/4 .751 5/8 31/2 9/16 1/2 10
31/4 13/16 29/16 113/16 11/16 1/4 11/2 1.001 3/4 41/2 11/16 3/4 12
4 11/16 213/16 21/8 7/8 1/4 2 1.376 1 5 11/16 3/4 12
5 11/16 311/16 21/8 7/8 5/16 21/2 1.751 11/4 61/2 15/16 3/4 12
6 15/16 41/4 27/16 11/16 3/8 21/2 2.001 11/4 71/2 11/16 1 16
         
EL EO ES ET F G J K L LR M MR R S Adicionar Carrera
LB P SA SE
7/8 3/8 7/8 3/4 3/8 13/4 11/2 3/8 3/4 9/16 1/2 5/8 1.63 13/4 5 27/8 7 63/4
15/16 1/2 15/16 7/8 5/8 13/4 11/2 7/16 11/4 1 3/4 15/16 2.05 2 51/4 27/8 73/4 71/8
15/16 1/2 15/16 7/8 5/8 13/4 11/2 7/16 11/4 15/16 3/4 15/16 2.55 23/8 53/8 3 73/4 71/4
11/8 5/8 11/4 11/4 3/4 2 13/4 9/16 11/2 11/4 1 13/16 3.25 31/8 61/4 31/2 97/8 81/2
11/8 5/8 11/4 11/4 7/8 2 13/4 9/16 21/8 13/4 13/8 15/8 3.82 31/4 65/8 33/4 107/8 87/8
11/2 3/4 11/2 11/2 7/8 2 13/4 13/16 21/4 21/16 13/4 21/8 4.95 43/4 71/8 41/4 113/8 101/8
111/16 7/8 13/4 13/4 1 21/4 21/4 7/8 21/2 25/16 2 23/8 5.73 53/8 83/8 47/8 131/4 113/4
 
  Descargar PDF
 
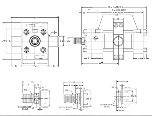
  Cilindros hidráulicos con montaje de balancín


Tabla de Dimensiones Generales y de Montaje

 

  

 

  

 

 

 








          
Ø BD E EE F G J K +.000
-.001
TD
TL TM UM UT UW Adicionar Carrera Style DD
Carrera
Minima
NPTFØ SAE LB P
11/2 11/4 21/2 1/2 10 3/8 13/4 11/2 3/8 1.000 1 3 5 41/2 33/8 5 27/8 0
2 11/2 3 1/2 10 5/8 13/4 11/2 7/16 1.375 13/8 31/2 61/4 53/4 41/8 51/4 27/8 1/4
21/2 11/2 31/2 1/2 10 5/8 13/4 11/2 7/16 1.375 13/8 4 63/4 61/4 45/8 53/8 3 1/8
31/4 2 41/2 3/4 12 3/4 2 13/4 9/16 1.750 13/4 5 81/2 8 513/16 61/4 31/2 3/8
4 2 5 3/4 12 7/8 2 13/4 9/16 1.750 13/4 51/2 9 81/2 63/8 65/8 33/4 1/8
5 2 61/2 3/4 12 7/8 2 13/4 13/16 1.750 13/4 7 101/2 10 73/4 71/8 41/4 0
6 3 71/2 1 16 1 21/4 21/4 7/8 2.000 2 81/2 121/2 111/2 103/8 83/8 47/8 1/4
 
  Descargar PDF
 
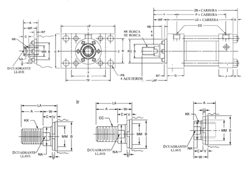
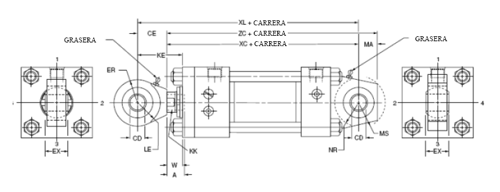
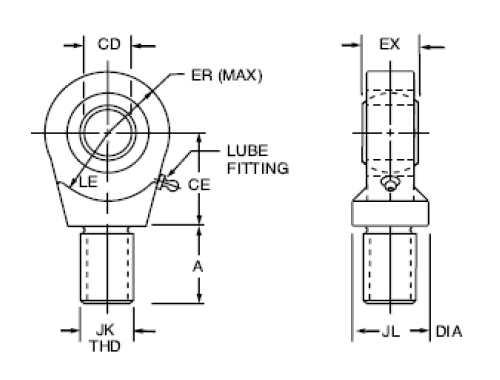
  Cilindros hidráulicos con montaje pivote posterior y horquilla con rotulas

Tabla de Dimensiones Generales y de Montaje    






                                                                                      
  Ø     Tipo de Vástago     Vástago Ø
MM  
Rosca A W Adicionar
Carrera
KE CD* CE ER EX LE MA MS NR
Style
9
KK
Style
7
KK
XC XL ZC
11/2 1(Std.) /8 7/16-20 3/4 5/8 63/8 71/4 71/8 11/2 -.0005 .5000 7/8 13/16 7/16 3/4 3/4 15/16 5/8
2 1 7/16-20 3/4 1 63/4 75/8 71/2 17/8
2 1(Std.) 1 3/4-16 11/8 3/4 71/4 81/2 81/4 2 -.0005 .7500 11/4 11/8 21/32 11/16 1 13/8 1
2 13/8 3/4-16 11/8 1 71/2 83/4 81/2 21/4
21/2 1(Std.) 1 3/4-16 11/8 3/4 73/8 85/8 83/8 2 -.0005 .7500 11/4 11/8 21/32 11/16 1 13/8 1
2 13/4 3/4-16 11/8 11/4 77/8 91/8 87/8 21/2
3 13/8 3/4-16 11/8 1 75/8 87/8 85/8 21/4
31/4 1(Std.) 13/8 1-14 15/8 7/8 85/8 101/2 97/8 23/4 -.0005 1.0000 17/8 11/4 7/8 17/16 11/4 111/16 11/4
2 2 1-14 15/8 11/4 9 107/8 101/4 31/8
3 13/4 1-14 15/8 11/8 87/8 103/4 101/8 3
4 1(Std.) 13/4 11/4-12 2 1 93/4 117/8 115/8 31/8 -.0005 1.3750 21/8 111/16 13/16 17/8 17/8 27/16 15/8
2 21/2 11/4-12 2 13/8 101/8 121/4 12 31/2
3 2 11/4-12 2 11/8 97/8 12 113/4 31/4
5 1(Std.) 2 11/2-12 21/4 11/8 101/2 13 13 35/8 -.0005 1.7500 21/2 21/16 117/32 21/8 21/2 27/8 21/16
2 31/2 11/2-12 21/4 13/8 103/4 131/4 131/4 37/8
3 21/2 11/2-12 21/4 13/8 103/4 131/4 131/4 37/8
4 3 11/2-12 21/4 13/8 103/4 131/4 131/4 37/8
6 1(Std.) 21/2 17/8-12 3 11/4 121/8 147/8 145/8 4 -.0005 2.0000 23/4 21/2 13/4 21/2 21/2 35/16 23/8
 
  Descargar PDF
 
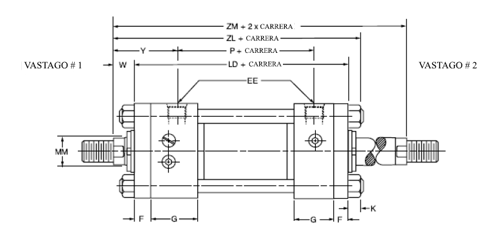
  Cilindros hidráulicos doble vástago


Tabla de Dimensiones Generales y de Montaje

 

  

 

  

 

 

 

 






     
 


  Ø     Tipo de Vást.     Vást.
Ø
MM  
Adicionar Carrera Add 2X Carrera
    LD   ZL SAk XAk ZAk SNk SSk SEk XEk ZEk ZM

11/2

1

5/8

55/8

61/4

75/8

71/4

75/8

27/8

41/8

73/8

71/8

71/2

67/8

2

1

1

61/8

67/8

85/8

81/8

85/8

27/8

37/8

8

713/16

85/16

75/8

21/2

1

1

61/4

7

85/8

83/16

83/4

3

35/8

81/8

715/16

87/16

73/4

31/4

1

13/8

71/4

81/8

107/8

915/16

105/8

31/2

43/8

91/2

91/4

97/8

9

4

1

13/4

73/4

83/4

12

107/8

113/4

33/4

41/4

10

97/8

101/2

93/4

5

1

2

81/4

93/8

121/2

111/2

123/8

41/4

43/4

111/4

107/8

115/8

101/2

6

1

21/2

93/8

105/8

141/4

131/16

141/8

47/8

51/8

123/4

125/16

133/16

117/8
 
  Descargar PDF
 
  Cilindros hidráulicos con montaje de balancín

 

 

  

 

  

 

 

 

 






 
  Descargar PDF